發布時間:
2020-10-11 21:08:53
瀏覽次數:
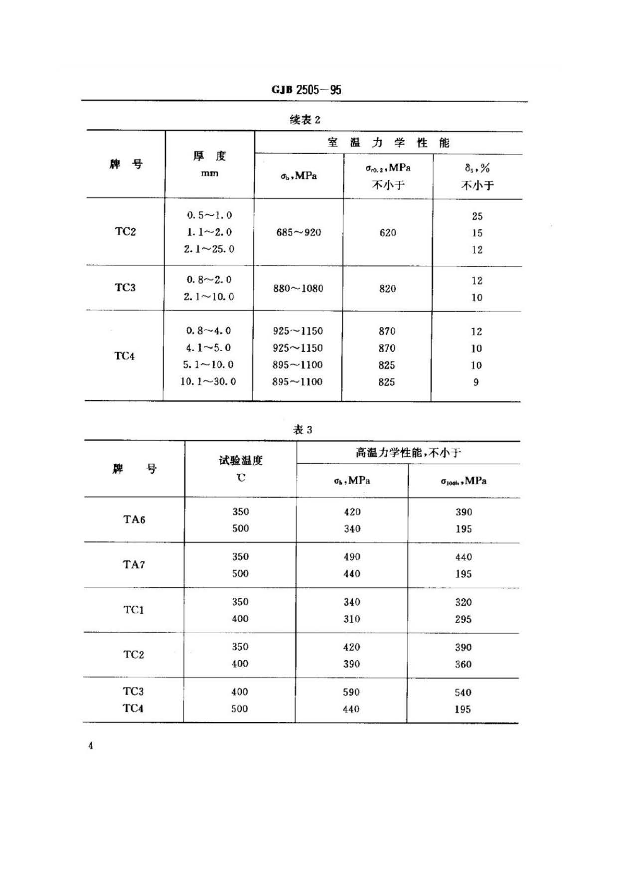
《航空用鈦及鈦合金板、帶材規范》國軍標GJB 2505-95,本規范規定了工業鈍鈦和α、α一β鈦合金板、帶材的要求,質量保證規定和交貨準備等。
本規范適用于熱軋的鈦及鈦合金厚板和冷軋的鈦及鈦合金薄板和帶材。
《航空用鈦及鈦合金板、帶材規范》國軍標GJB 2505-95詳細內容,利泰金屬整理如下:














相關鏈接
- 2021-12-29 利泰金屬談鈦合金在航天領域的應用需求
- 2021-12-21 鎳鈦絲鈦合金板在口腔正畸臨床中的應用
- 2021-12-15 航空航天領域用鈦鍛件鈦棒等鈦合金的特點及類型
- 2021-11-16 2020年波音空客公司航空用鈦鍛件鈦合金棒消費量
- 2021-10-06 鈦及鈦合金熱處理標準現狀及發展趨勢
- 2021-08-01 飛機結構鈦合金與國內航空用主要鈦合金牌號
- 2020-10-02 鈦及鈦合金熔模精密鑄件國軍標規范 GJB 2896-97
- 2020-09-23 超塑成形用TC4鈦合金板材國軍標規范 GJB 2921-97
- 2020-09-14 鈦及鈦合金熱處理 GJB3763A-2004
- 2020-05-17 海綿鈦、鈦及鈦合金化學分析方法 碳量的測定國家標準 GB/T 4698.14-2011

